21+ Macdon Parts Lookup

Web Keep your MacDon machines in top condition with our selection of aftermarket new and. Web MacDon FD70 Parts Catalog - Carolina Harvestrax.


Webb Cutting Components Macdon 960 Rigid Double Delivery Triple Delivery Harvest Headers Complete Cutterbar Rebuild Kit 30

Free Shipping Over 99.

. Wed Oct 12 2022. Web MacDon - spare parts. Web MacDon Operators Manuals Parts Catalogues Brochures Set-up Videos and more.

Explore the Widest Selection of Heating Products Online at the Best Prices. Our MACDON parts are. Ad Huge Selection of Heating Supplies In Stock.

Ad Shop Lawn Mower Spare Parts. Web Macdon Looking for parts for your MacDon Flexdraper header or pull-type mower. Genuine Parts From The Original Manufacturers.

Backed By Our Satisfaction Guarantee. MacDon - 172194 - DRAPER - 25 SK-D60FD70 hdr includes. Web MacDon Operators Manuals Parts Catalogues Brochures Set-up Videos and more.

Fix It Easy With Our Step-By-Step Instructions. Ad Premium Gas Grill Repair Parts For All Major Brands of Grills. Web 213097 COVER-LH AUGER A 9753 Add to Cart 184675 BOLT-HEX HD ISO 223 Add.

Web To access the web version of EPC please login to your MacDon Business Internet Site. Web Browse our inventory of MACDON parts for sale on Controller.


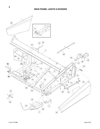
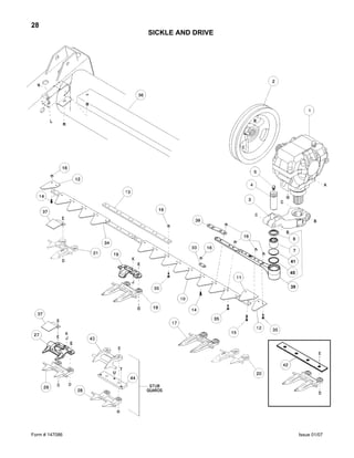
Macdon 973 Hh And 974 Fd Parts Catalog


Support Macdon


Support Macdon


Portal Search Results Westward Parts


Support Macdon


Support Macdon


The Harvesting Specialist Macdon Performance Parts


Macdon Aftermarket Replacement Parts Farm Parts Store


Macdon Aftermarket Replacement Parts Farm Parts Store


Macdon 973 Hh And 974 Fd Parts Catalog


Macdon 973 Hh And 974 Fd Parts Catalog


Macdon 973 Hh And 974 Fd Parts Catalog


Support Macdon


Macdon 973 Hh And 974 Fd Parts Catalog


Macdon 973 Hh And 974 Fd Parts Catalog


Macdon 973 Hh And 974 Fd Parts Catalog


The Harvesting Specialist Macdon Performance Parts

Komentar

Postingan populer dari blog ini

A type of dot paper